← Маслопроводы гидросистемы трактора ДТ-75В Гидроусилитель →
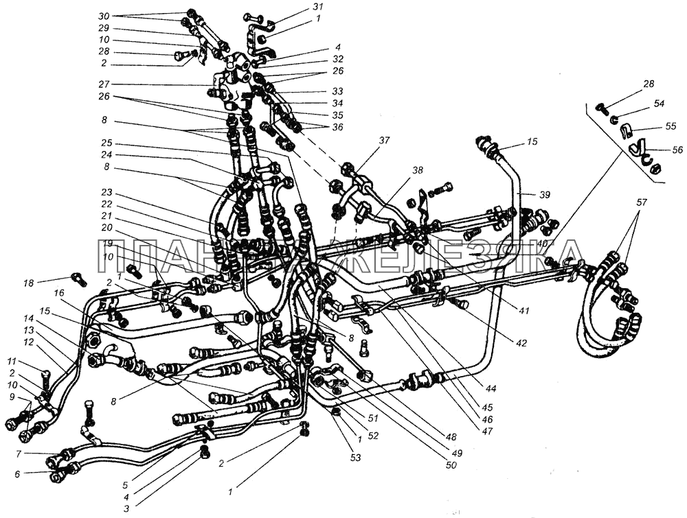
Маслопроводы гидросистемы трактора ДТ-75БВ ДТ-75В, ДТ-75БВ, ДТ75Н
  Номер детали Наименование детали  
Б78.66.001 Маслопроводы гидросистемы (комплектации С1 и С4)
Подробнее
Дополнительная информация:
Кол-во на "ДТ-75В, ДТ-75БВ, ДТ75Н" 1
51,2
Б78.66.002 Маслопроводы гидросистемы (комплектации С1 и С4 спецзаказ)
Подробнее
Дополнительная информация:
Кол-во на "ДТ-75В, ДТ-75БВ, ДТ75Н" 1
47,7
Б78.66.003 Маслопроводы гидросистемы (комплектация С2)
Подробнее
Дополнительная информация:
Кол-во на "ДТ-75В, ДТ-75БВ, ДТ75Н" 1
48,1
1 М10.6.016 Гайка ГОСТ 5915-70
Подробнее
Дополнительная информация:
Кол-во на "ДТ-75В, ДТ-75БВ, ДТ75Н" 24
2 10.65Г.05 Шайба ГОСТ 6402-70
Подробнее
Дополнительная информация:
Кол-во на "ДТ-75В, ДТ-75БВ, ДТ75Н" 19
3 М8.6.016 Гайка ГОСТ 5915-70
Подробнее
Дополнительная информация:
Кол-во на "ДТ-75В, ДТ-75БВ, ДТ75Н" 1
4 8.65Г.05 Шайба ГОСТ 6402-70
Подробнее
Дополнительная информация:
Кол-во на "ДТ-75В, ДТ-75БВ, ДТ75Н" 5
5 Б77.66.034 Планка
Подробнее
Дополнительная информация:
Кол-во на "ДТ-75В, ДТ-75БВ, ДТ75Н" 1
6 Б78.66.035 Труба верхняя
Подробнее
Дополнительная информация:
Кол-во на "ДТ-75В, ДТ-75БВ, ДТ75Н" 1
7 Б78.66.034 Труба нижняя
Подробнее
Дополнительная информация:
Кол-во на "ДТ-75В, ДТ-75БВ, ДТ75Н" 1
1,445
8 Н.036.85.010 Рукав высокого давления 11.16 армированный
Подробнее
Дополнительная информация:
Кол-во на "ДТ-75В, ДТ-75БВ, ДТ75Н" 13
9 Н.036.12.040-02 Заглушка
Подробнее
Дополнительная информация:
Кол-во на "ДТ-75В, ДТ-75БВ, ДТ75Н" 8
10 77.66.119-А Планка прижимная
Подробнее
Дополнительная информация:
Кол-во на "ДТ-75В, ДТ-75БВ, ДТ75Н" 37
11 М10-6gх35.58.016 Болт ГОСТ 7796-70
Подробнее
Дополнительная информация:
Кол-во на "ДТ-75В, ДТ-75БВ, ДТ75Н" 21
12 Б78.66.025-1 Труба нижняя
Подробнее
Дополнительная информация:
Кол-во на "ДТ-75В, ДТ-75БВ, ДТ75Н" 1
1,17
13 Б78.66.024-1 Труба верхняя
Подробнее
Дополнительная информация:
Кол-во на "ДТ-75В, ДТ-75БВ, ДТ75Н" 1
1,29
14 77.66.035-1 Трубопровод
Подробнее
Дополнительная информация:
Кол-во на "ДТ-75В, ДТ-75БВ, ДТ75Н" 1
15 77.64.104 Шланг соединительный
Подробнее
Дополнительная информация:
Кол-во на "ДТ-75В, ДТ-75БВ, ДТ75Н" 6
16 78.66.031 Труба нагнетательная
Подробнее
Дополнительная информация:
Кол-во на "ДТ-75В, ДТ-75БВ, ДТ75Н" 1
1,249
18 М10-6gх45.58.016 Болт ГОСТ 7795-70
Подробнее
Дополнительная информация:
Кол-во на "ДТ-75В, ДТ-75БВ, ДТ75Н" 2
19 Б78.66.030-1 Трубопровод нижний
Подробнее
Дополнительная информация:
Кол-во на "ДТ-75В, ДТ-75БВ, ДТ75Н" 1
20 Б78.66.029-1 Трубопровод верхний
Подробнее
Дополнительная информация:
Кол-во на "ДТ-75В, ДТ-75БВ, ДТ75Н" 1
1,564
21 Б78.66.027-1 Трубопровод передний
Подробнее
Дополнительная информация:
Кол-во на "ДТ-75В, ДТ-75БВ, ДТ75Н" 1
1,400
22 Б77.66.119 Втулка распорная
Подробнее
Дополнительная информация:
Кол-во на "ДТ-75В, ДТ-75БВ, ДТ75Н" 1
23 М10-6gх55.58.016 Болт ГОСТ 7795-70
Подробнее
Дополнительная информация:
Кол-во на "ДТ-75В, ДТ-75БВ, ДТ75Н" 1
24 Б78.66.033 Труба
Подробнее
Дополнительная информация:
Кол-во на "ДТ-75В, ДТ-75БВ, ДТ75Н" 1
25 Б78.66.041 Труба
Подробнее
Дополнительная информация:
Кол-во на "ДТ-75В, ДТ-75БВ, ДТ75Н" 1
26 Н.036.04.005 Штуцер проходной
Подробнее
Дополнительная информация:
Кол-во на "ДТ-75В, ДТ-75БВ, ДТ75Н" 9
27 Б77.66.012 Кран распределительный правый
Подробнее
Дополнительная информация:
Кол-во на "ДТ-75В, ДТ-75БВ, ДТ75Н" 1
4,49
28 М10-6gх30.58.016 Болт ГОСТ 7796-70
Подробнее
Дополнительная информация:
Кол-во на "ДТ-75В, ДТ-75БВ, ДТ75Н" 5
29 Б77.66.022-А Труба
Подробнее
Дополнительная информация:
Кол-во на "ДТ-75В, ДТ-75БВ, ДТ75Н" 2
30 54.54.124 Заглушка
Подробнее
Дополнительная информация:
Кол-во на "ДТ-75В, ДТ-75БВ, ДТ75Н" 2
31 78.66.022-1 Кронштейн
Подробнее
Дополнительная информация:
Кол-во на "ДТ-75В, ДТ-75БВ, ДТ75Н" 1
32 М8-6gх16.88.35.016 Болт ГОСТ 7796-70
Подробнее
Дополнительная информация:
Кол-во на "ДТ-75В, ДТ-75БВ, ДТ75Н" 4
33 Б78.66011-1 Труба
Подробнее
Дополнительная информация:
Кол-во на "ДТ-75В, ДТ-75БВ, ДТ75Н" 1
34 Б78.66.012 Труба
Подробнее
Дополнительная информация:
Кол-во на "ДТ-75В, ДТ-75БВ, ДТ75Н" 1
35 77.64.105 Болт
Подробнее
Дополнительная информация:
Кол-во на "ДТ-75В, ДТ-75БВ, ДТ75Н" 4
36 77.64.114 Шайба малая
Подробнее
Дополнительная информация:
Кол-во на "ДТ-75В, ДТ-75БВ, ДТ75Н" 8
37 Б78.66.013-1 Труба
Подробнее
Дополнительная информация:
Кол-во на "ДТ-75В, ДТ-75БВ, ДТ75Н" 2
38 Б78.66.014-1 Труба
Подробнее
Дополнительная информация:
Кол-во на "ДТ-75В, ДТ-75БВ, ДТ75Н" 2
39 78.66.221 Труба сливная средняя
Подробнее
Дополнительная информация:
Кол-во на "ДТ-75В, ДТ-75БВ, ДТ75Н" 1
40 78.66.021-1 Кронштейн
Подробнее
Дополнительная информация:
Кол-во на "ДТ-75В, ДТ-75БВ, ДТ75Н" 1
41 Б78.66.014-1 Труба
Подробнее
Дополнительная информация:
Кол-во на "ДТ-75В, ДТ-75БВ, ДТ75Н" 2
42 77.06.014 Хомутик стяжной
Подробнее
Дополнительная информация:
Кол-во на "ДТ-75В, ДТ-75БВ, ДТ75Н" 12
44 78.66.220 Труба сливная передняя
Подробнее
Дополнительная информация:
Кол-во на "ДТ-75В, ДТ-75БВ, ДТ75Н" 1
45 78.66.212 Труба заборная задняя
Подробнее
Дополнительная информация:
Кол-во на "ДТ-75В, ДТ-75БВ, ДТ75Н" 1
1,390
46 78.66.028-1 Труба нижняя
Подробнее
Дополнительная информация:
Кол-во на "ДТ-75В, ДТ-75БВ, ДТ75Н" 1
1,84
47 78.66.027-1 Труба верхняя
Подробнее
Дополнительная информация:
Кол-во на "ДТ-75В, ДТ-75БВ, ДТ75Н" 1
1,8
48 Б78.66.028-1 Трубопровод задний
Подробнее
Дополнительная информация:
Кол-во на "ДТ-75В, ДТ-75БВ, ДТ75Н" 1
49 Б77.66.111-1 Планка прижимная верхняя
Подробнее
Дополнительная информация:
Кол-во на "ДТ-75В, ДТ-75БВ, ДТ75Н" 2
50 Б77.66.112-1 Планка прижимная нижняя
Подробнее
Дополнительная информация:
Кол-во на "ДТ-75В, ДТ-75БВ, ДТ75Н" 4
51 77.66.115 Амортизатор
Подробнее
Дополнительная информация:
Кол-во на "ДТ-75В, ДТ-75БВ, ДТ75Н" 2
52 Б77.66.120-3 Труба
Подробнее
Дополнительная информация:
Кол-во на "ДТ-75В, ДТ-75БВ, ДТ75Н" 1
1,748
53 85.66.157 Скоба
Подробнее
Дополнительная информация:
Кол-во на "ДТ-75В, ДТ-75БВ, ДТ75Н" 1
54 10.01 Шайба ГОСТ 11371-78
Подробнее
Дополнительная информация:
Кол-во на "ДТ-75В, ДТ-75БВ, ДТ75Н" 2
55 К77.66.349 Скоба
Подробнее
Дополнительная информация:
Кол-во на "ДТ-75В, ДТ-75БВ, ДТ75Н" 1
56 74.54.442 Кронштейн
Подробнее
Дополнительная информация:
Кол-во на "ДТ-75В, ДТ-75БВ, ДТ75Н" 2
57 Н.036.85.740 Рукав высокого давления 11-16 армированный
Подробнее
Дополнительная информация:
Кол-во на "ДТ-75В, ДТ-75БВ, ДТ75Н" 2
1,38