← Гидроагрегаты и арматура (с распределителем RS-213) Регулятор. →
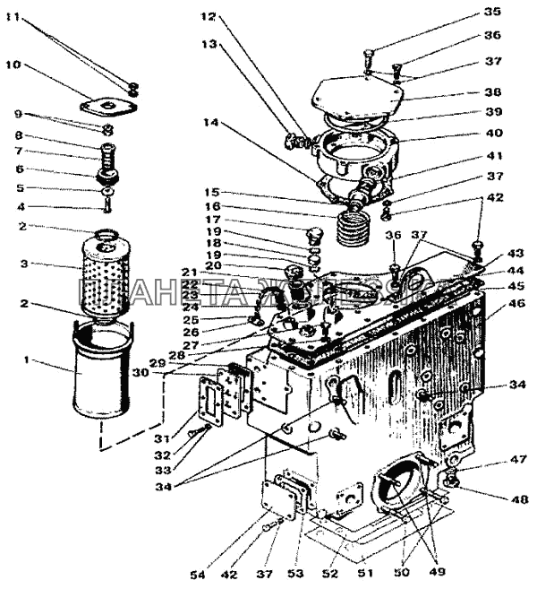
Бак масляный и Фильтр МТЗ-900
  Номер детали Наименование детали  
85-4608010-03 Корпус бака гидросистемы
Подробнее
Дополнительная информация:
Кол-во на "900, 920, 950, 952" 1
Модель 85
Подгруппа 4608
Порядковый номер детали 010
85-4608090 Клапан 85-4608091 в сборе
Подробнее
Дополнительная информация:
Кол-во на "900, 920, 950, 952" 1
Модель 85
Подгруппа 4608
Порядковый номер детали 090
А28.04.10.000 Клапан 8.20.004 в сборе
Подробнее
Дополнительная информация:
Кол-во на "900, 920, 950, 952" 1
Гайка М10 Гайка М10
Подробнее
Дополнительная информация:
Кол-во на "900, 920, 950, 952" 2
Шайба ШП10 Шайба ШП10
Подробнее
Дополнительная информация:
Кол-во на "900, 920, 950, 952" 4
1 А28.04.20.000А Корпус
Подробнее
Дополнительная информация:
Кол-во на "900, 920, 950, 952" 1
2 042-050-46-2-2 Кольцо
Подробнее
Дополнительная информация:
Кол-во на "900, 920, 950, 952" 2
3 761-00-00-00 Элемент фильтрующий Реготмас 635-1
Подробнее
Дополнительная информация:
Кол-во на "900, 920, 950, 952" 1
4 Винт В1.М6х40 Винт В1.М6х40
Подробнее
Дополнительная информация:
Кол-во на "900, 920, 950, 952" 1
5 8.20.004 Клапан
Подробнее
Дополнительная информация:
Кол-во на "900, 920, 950, 952" 1
6 А28.04.10.001 Корпус
Подробнее
Дополнительная информация:
Кол-во на "900, 920, 950, 952" 1
7 8.20.002 Пружина
Подробнее
Дополнительная информация:
Кол-во на "900, 920, 950, 952" 1
8 8.20.005 Шайба опорная
Подробнее
Дополнительная информация:
Кол-во на "900, 920, 950, 952" 1
9 Гайка 2М6 Гайка 2М6
Подробнее
Дополнительная информация:
Кол-во на "900, 920, 950, 952" 2
10 А28.04.00.001 Ограничитель
Подробнее
Дополнительная информация:
Кол-во на "900, 920, 950, 952" 1
11 Гайка М6 Гайка М6
Подробнее
Дополнительная информация:
Кол-во на "900, 920, 950, 952" 4
12 Кольцо 021-025-25-1-4 Кольцо 021-025-25-1-4
Подробнее
Дополнительная информация:
Кол-во на "900, 920, 950, 952" 1
13 85-4608021 Пробка
Подробнее
Дополнительная информация:
Кол-во на "900, 920, 950, 952" 1
Модель 85
Подгруппа 4608
Порядковый номер детали 021
14 85-4608089 Прокладка
Подробнее
Дополнительная информация:
Кол-во на "900, 920, 950, 952" 1
Модель 85
Подгруппа 4608
Порядковый номер детали 089
15 С80-4607034 Штуцер
Подробнее
Дополнительная информация:
Кол-во на "900, 920, 950, 952" 1
Модель РЎ80
Подгруппа 4607
Порядковый номер детали 034
16 85-4608057 Пружина
Подробнее
Дополнительная информация:
Кол-во на "900, 920, 950, 952" 1
Модель 85
Подгруппа 4608
Порядковый номер детали 057
17 50-4608059 Пробка сапуна
Подробнее
Дополнительная информация:
Кол-во на "900, 920, 950, 952" 1
Модель 50
Подгруппа 4608
Порядковый номер детали 059
18 50-4608063 Фильтр
Подробнее
Дополнительная информация:
Кол-во на "900, 920, 950, 952" 1
Модель 50
Подгруппа 4608
Порядковый номер детали 063
19 50-4608062 Шайба сапуна
Подробнее
Дополнительная информация:
Кол-во на "900, 920, 950, 952" 2
Модель 50
Подгруппа 4608
Порядковый номер детали 062
20 Пробка КГ 1/4 Пробка КГ 1/4
Подробнее
Дополнительная информация:
Кол-во на "900, 920, 950, 952" 1
21 А61-С06-А2 Фильтр
Подробнее
Дополнительная информация:
Кол-во на "900, 920, 950, 952" 1
22 85-4608091 Клапан
Подробнее
Дополнительная информация:
Кол-во на "900, 920, 950, 952" 1
Модель 85
Подгруппа 4608
Порядковый номер детали 091
23 50-1002450 Цепочка
Подробнее
Дополнительная информация:
Кол-во на "900, 920, 950, 952" 1
Модель 50
Группа Двигатель
Подгруппа Блок цилиндров
Порядковый номер детали 450
24 Кольцо 011-015-25-2-2 Кольцо 011-015-25-2-2
Подробнее
Дополнительная информация:
Кол-во на "900, 920, 950, 952" 2
25 36-1101067 Кольцо
Подробнее
Дополнительная информация:
Кол-во на "900, 920, 950, 952" 2
Модель 36
Группа Cистема питания двигателя
Подгруппа Бак топливный
Порядковый номер детали 067
26 50-3407069 Чека
Подробнее
Дополнительная информация:
Кол-во на "900, 920, 950, 952" 1
Модель 50
Группа Управление рулевое
Подгруппа Насос гидроусилителя механизма рулевого управления
Порядковый номер детали 069
27 Болт М12х20 Болт М12х20
Подробнее
Дополнительная информация:
Кол-во на "900, 920, 950, 952" 3
28 Шайба ШП12 Шайба ШП12
Подробнее
Дополнительная информация:
Кол-во на "900, 920, 950, 952" 3
29 85-4608086 Прокладка
Подробнее
Дополнительная информация:
Кол-во на "900, 920, 950, 952" 1
Модель 85
Подгруппа 4608
Порядковый номер детали 086
30 85-4608087 Указатель
Подробнее
Дополнительная информация:
Кол-во на "900, 920, 950, 952" 1
Модель 85
Подгруппа 4608
Порядковый номер детали 087
31 85-4608088 Пластина
Подробнее
Дополнительная информация:
Кол-во на "900, 920, 950, 952" 1
Модель 85
Подгруппа 4608
Порядковый номер детали 088
  Код Название Артикул Цена
Пластина МТЗ указателя уровня масла гидробака ОАО МТЗ 562137 Пластина МТЗ указателя уровня масла гидробака ОАО МТЗ 85-4608088 200,00 р.
32 Болт М6х20 Болт М6х20
Подробнее
Дополнительная информация:
Кол-во на "900, 920, 950, 952" 6
33 Шайба ШП6 Шайба ШП6
Подробнее
Дополнительная информация:
Кол-во на "900, 920, 950, 952" 6
34 Шпилька М10х Т2/6g х20 Шпилька М10х Т2/6g х20
Подробнее
Дополнительная информация:
Кол-во на "900, 920, 950, 952" 3
35 Болт М8х80 Болт М8х80
Подробнее
Дополнительная информация:
Кол-во на "900, 920, 950, 952" 1
36 Болт М8х25 Болт М8х25
Подробнее
Дополнительная информация:
Кол-во на "900, 920, 950, 952" 5
37 Шайба ШП8 Шайба ШП8
Подробнее
Дополнительная информация:
Кол-во на "900, 920, 950, 952" 27
Пластина МТЗ указателя уровня масла гидробака ОАО МТЗ 38 85-4608022 Крышка
Подробнее
Дополнительная информация:
Кол-во на "900, 920, 950, 952" 1
Модель 85
Подгруппа 4608
Порядковый номер детали 022
  Код Название Артикул Цена
Крышка МТЗ фильтра масляного бака ХЗГА 638875 Крышка МТЗ фильтра масляного бака ХЗГА 85-4608022 990,00 р.
39 Кольцо 130-135-30-2-4 Кольцо 130-135-30-2-4
Подробнее
Дополнительная информация:
Кол-во на "900, 920, 950, 952" 1
40 85-4608018-01 Стакан
Подробнее
Дополнительная информация:
Кол-во на "900, 920, 950, 952" 1
Модель 85
Подгруппа 4608
Порядковый номер детали 018
41 Кольцо 027-032-30-2-4 Кольцо 027-032-30-2-4
Подробнее
Дополнительная информация:
Кол-во на "900, 920, 950, 952" 1
42 Болт М8х20 Болт М8х20
Подробнее
Дополнительная информация:
Кол-во на "900, 920, 950, 952" 20
43 85-4608025-02 Крышка
Подробнее
Дополнительная информация:
Кол-во на "900, 920, 950, 952" 1
Модель 85
Подгруппа 4608
Порядковый номер детали 025
44 80-4608073 Кронштейн
Подробнее
Дополнительная информация:
Кол-во на "900, 920, 950, 952" 1
Модель 80
Подгруппа 4608
Порядковый номер детали 073
45 85-4608031 Прокладка
Подробнее
Дополнительная информация:
Кол-во на "900, 920, 950, 952" 1
Модель 85
Подгруппа 4608
Порядковый номер детали 031
46 85-4608016 Корпус гидросистемы
Подробнее
Дополнительная информация:
Кол-во на "900, 920, 950, 952" 1
Модель 85
Подгруппа 4608
Порядковый номер детали 016
47 Кольцо 017-022-30-2-2 Кольцо 017-022-30-2-2
Подробнее
Дополнительная информация:
Кол-во на "900, 920, 950, 952" 1
Крышка МТЗ фильтра масляного бака ХЗГА 48 50-4608027-В Пробка
Подробнее
Дополнительная информация:
Кол-во на "900, 920, 950, 952" 1
Модель 50
Подгруппа 4608
Порядковый номер детали 027
Дополнительно Взаимозаменяема с деталью, выпущенной ранее под этим же номером
  Код Название Артикул Цена
Пробка МТЗ сливная бака гидросистемы САЗ 627846 Пробка МТЗ сливная бака гидросистемы САЗ 50-4608027-В 70,00 р.
49 Шпилька М10х Т2/6g х35 Шпилька М10х Т2/6g х35
Подробнее
Дополнительная информация:
Кол-во на "900, 920, 950, 952" 2
50 Болт М10х40 Болт М10х40
Подробнее
Дополнительная информация:
Кол-во на "900, 920, 950, 952" 2
51 70-4608072 Пластина
Подробнее
Дополнительная информация:
Кол-во на "900, 920, 950, 952" 1
Модель 70
Подгруппа 4608
Порядковый номер детали 072
52 50-4608049 Прокладка
Подробнее
Дополнительная информация:
Кол-во на "900, 920, 950, 952" 2
Модель 50
Подгруппа 4608
Порядковый номер детали 049
53 70-4608033 Прокладка
Подробнее
Дополнительная информация:
Кол-во на "900, 920, 950, 952" 1
Модель 70
Подгруппа 4608
Порядковый номер детали 033
54 70-4608019 Крышка
Подробнее
Дополнительная информация:
Кол-во на "900, 920, 950, 952" 1
Модель 70
Подгруппа 4608
Порядковый номер детали 019