← Мост задний (включая сборочные единицы ВОМ) 082-2400 Мост задний (включая сборочные единицы ВОМ) 082-2400 →
Мост задний (включая сборочные единицы ВОМ) 082-2400 МТЗ-082
  Номер детали Наименование детали  
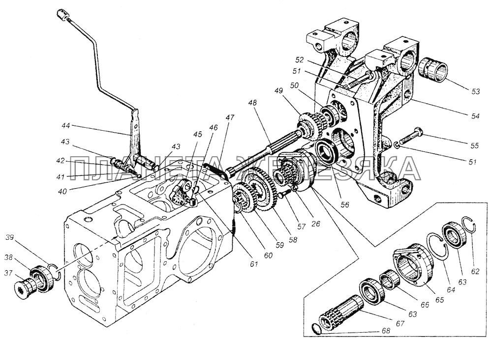
26 8Т ОСТ 37.001.115-75 Шайба
37 082-4202028 Втулка
Подробнее
Дополнительная информация:
Кол-во на "082, 082БС" 1
Модель 082
Группа Спецоборудование
Подгруппа Коробка отбора мощности односкоростная
Порядковый номер детали 028
38 106 Подшипник ГОСТ 8338-75
Подробнее
Дополнительная информация:
Кол-во на "082, 082БС" 1
  Код Название Артикул Цена
Подшипник КАМАЗ системы питания 066185 Подшипник КАМАЗ системы питания 106 145,00 р.
Гидрозатвор двухкамерный с упл. резинкой 616529 Гидрозатвор двухкамерный с упл. резинкой 120,00 р.
39 2В30 Кольцо ГОСТ 13940-86
Подробнее
Дополнительная информация:
Кол-во на "082, 082БС" 1
40 7,938-100 Шарик
Подробнее
Дополнительная информация:
Кол-во на "082, 082БС" 1
41 05-1701375-А Пружина
Подробнее
Дополнительная информация:
Кол-во на "082, 082БС" 1
Модель 05
Группа Коробка передач
Подгруппа Коробка передач
Порядковый номер детали 375
Дополнительно Взаимозаменяема с деталью, выпущенной ранее под этим же номером
42 05-4216012 Фиксатор
Подробнее
Дополнительная информация:
Кол-во на "082, 082БС" 1
Модель 05
Группа Спецоборудование
Подгруппа Управление коробкой отбора мощности
Порядковый номер детали 012
43 013-017-25 Кольцо ГОСТ 9833-73
Подробнее
Дополнительная информация:
Кол-во на "082, 082БС" 2
44 082-4216020 Рычаг
Подробнее
Дополнительная информация:
Кол-во на "082, 082БС" 1
Модель 082
Группа Спецоборудование
Подгруппа Управление коробкой отбора мощности
Порядковый номер детали 020
45 082-4216009 Рычаг
Подробнее
Дополнительная информация:
Кол-во на "082, 082БС" 1
Модель 082
Группа Спецоборудование
Подгруппа Управление коробкой отбора мощности
Порядковый номер детали 009
46 05-4216013 Сухарь
Подробнее
Дополнительная информация:
Кол-во на "082, 082БС" 1
Модель 05
Группа Спецоборудование
Подгруппа Управление коробкой отбора мощности
Порядковый номер детали 013
47 05-4202012 Прокладка
Подробнее
Дополнительная информация:
Кол-во на "082, 082БС" 1
Модель 05
Группа Спецоборудование
Подгруппа Коробка отбора мощности односкоростная
Порядковый номер детали 012
48 082-4202027 Вал
Подробнее
Дополнительная информация:
Кол-во на "082, 082БС" 1
Модель 082
Группа Спецоборудование
Подгруппа Коробка отбора мощности односкоростная
Порядковый номер детали 027
49 082-4202026 Блок-шестерня
Подробнее
Дополнительная информация:
Кол-во на "082, 082БС" 1
Модель 082
Группа Спецоборудование
Подгруппа Коробка отбора мощности односкоростная
Порядковый номер детали 026
50 302 Подшипник ГОСТ 8338-75
Подробнее
Дополнительная информация:
Кол-во на "082, 082БС" 1
51 10Т Шайба ОСТ 37.001.115-75
Подробнее
Дополнительная информация:
Кол-во на "082, 082БС" 18
52 4М10-6gх50.88.35.019 Болт ГОСТ 7796-70
Подробнее
Дополнительная информация:
Кол-во на "082, 082БС" 2
53 082-4605018 Втулка
Подробнее
Дополнительная информация:
Кол-во на "082, 082БС" 2
Модель 082
Подгруппа 4605
Порядковый номер детали 018
54 082-4602001 Корпус
Подробнее
Дополнительная информация:
Кол-во на "082, 082БС" 1
Модель 082
Подгруппа 4602
Порядковый номер детали 001
55 4М10-6gх35.88.35.019 Болт ГОСТ 7796-70
Подробнее
Дополнительная информация:
Кол-во на "082, 082БС" 4
56 2-2-30х52 Манжета ГОСТ 8752-79
Подробнее
Дополнительная информация:
Кол-во на "082, 082БС" 1
57 М8-6gх25.88.35.019 Болт
Подробнее
Дополнительная информация:
Кол-во на "082, 082БС" 3
58 082-4202017 Колесо зубчатое
Подробнее
Дополнительная информация:
Кол-во на "082, 082БС" 1
Модель 082
Группа Спецоборудование
Подгруппа Коробка отбора мощности односкоростная
Порядковый номер детали 017
59 082-4202019 Шестерня
Подробнее
Дополнительная информация:
Кол-во на "082, 082БС" 1
Модель 082
Группа Спецоборудование
Подгруппа Коробка отбора мощности односкоростная
Порядковый номер детали 019
60 2В38 Кольцо ГОСТ 13940-86
Подробнее
Дополнительная информация:
Кол-во на "082, 082БС" 1
61 2С16 Кольцо ГОСТ 13942-86
Подробнее
Дополнительная информация:
Кол-во на "082, 082БС" 1
62 2В30 Кольцо ГОСТ 13940-86
Подробнее
Дополнительная информация:
Кол-во на "082, 082БС" 1
Гидрозатвор двухкамерный с упл. резинкой 63 106 Подшипник ГОСТ 8338-75
Подробнее
Дополнительная информация:
Кол-во на "082, 082БС" 2
  Код Название Артикул Цена
Подшипник КАМАЗ системы питания 066185 Подшипник КАМАЗ системы питания 106 145,00 р.
Гидрозатвор двухкамерный с упл. резинкой 616529 Гидрозатвор двухкамерный с упл. резинкой 120,00 р.
64 В55 Кольцо ГОСТ 13943-86
Подробнее
Дополнительная информация:
Кол-во на "082, 082БС" 1
65 082-4202012 Стакан
Подробнее
Дополнительная информация:
Кол-во на "082, 082БС" 1
Модель 082
Группа Спецоборудование
Подгруппа Коробка отбора мощности односкоростная
Порядковый номер детали 012
66 082-4202013 Втулка
Подробнее
Дополнительная информация:
Кол-во на "082, 082БС" 1
Модель 082
Группа Спецоборудование
Подгруппа Коробка отбора мощности односкоростная
Порядковый номер детали 013
67 082-4202018 Вал
Подробнее
Дополнительная информация:
Кол-во на "082, 082БС" 1
Модель 082
Группа Спецоборудование
Подгруппа Коробка отбора мощности односкоростная
Порядковый номер детали 018
68 24-00 Заглушка ГОСТ 3111-67
Подробнее
Дополнительная информация:
Кол-во на "082, 082БС" 1