← Щиток приборов Установка щитка приборов →
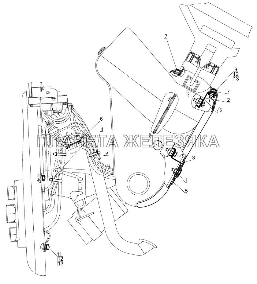
Установка щитка приборов Беларус-922.5
  Номер детали Наименование детали  
1 80-3805065 Винт
Подробнее
Дополнительная информация:
Кол-во на "922.5" 1
Модель 80
Группа Приборы
Подгруппа Щиток прибора
Порядковый номер детали 065
2 822-3805080-Б Кронштейн
Подробнее
Дополнительная информация:
Кол-во на "922.5" 1
Модель 822
Группа Приборы
Подгруппа Щиток прибора
Порядковый номер детали 080
Дополнительно Взаимозаменяема с деталью, выпущенной ранее под этим же номером
3 822-3805095 Кронштейн
Подробнее
Дополнительная информация:
Кол-во на "922.5" 1
Модель 822
Группа Приборы
Подгруппа Щиток прибора
Порядковый номер детали 095
4 822-3805163 Кожух
Подробнее
Дополнительная информация:
Кол-во на "922.5" 1
Модель 822
Группа Приборы
Подгруппа Щиток прибора
Порядковый номер детали 163
5 ПР-43-01 Уплотнитель
Подробнее
Дополнительная информация:
Кол-во на "922.5" 1
6 А30.04.017 Колпачок
Подробнее
Дополнительная информация:
Кол-во на "922.5" 2
9 М6-6gх16.88.35.019 Болт
Подробнее
Дополнительная информация:
Кол-во на "922.5" 1
Примечание Нет
10 М6-6gх25.88.35.019 Болт ГОСТ 7798-70
Подробнее
Дополнительная информация:
Кол-во на "922.5" 4
Примечание Нет
11 М6-6Н.6.019 Гайка
Подробнее
Дополнительная информация:
Кол-во на "922.5" 4
Примечание Нет
12 С6.01.019 Шайба
Подробнее
Дополнительная информация:
Кол-во на "922.5" 9
Примечание Нет
13 Шайба6Т Шайба
Подробнее
Дополнительная информация:
Кол-во на "922.5" 9
Примечание Нет