← Диски сцепления Корпус сцепления. Отводка →
Корпус сцепления Беларус-800/900
  Номер детали Наименование детали  
50-1600010-08 Корпус сцепления
Подробнее
Дополнительная информация:
Кол-во на "800, 820, 890, 892, 900, 920, 950, 952" 1
Примечание Нет
Модель 50
Группа Сцепление
Подгруппа 1600
Порядковый номер детали 010
70-1600010 Корпус сцепления
Подробнее
Дополнительная информация:
Кол-во на "800, 820, 890, 892, 900, 920, 950, 952" 1
Примечание Нет
Модель 70
Группа Сцепление
Подгруппа 1600
Порядковый номер детали 010
74-1600010 Муфта сцепления
Подробнее
Дополнительная информация:
Кол-во на "800, 820, 890, 892, 900, 920, 950, 952" 1
Примечание Нет
Модель 74
Группа Сцепление
Подгруппа 1600
Порядковый номер детали 010
74-1600010-02 Муфта сцепления
Подробнее
Дополнительная информация:
Кол-во на "800, 820, 890, 892, 900, 920, 950, 952" 1
Примечание Нет
Модель 74
Группа Сцепление
Подгруппа 1600
Порядковый номер детали 010
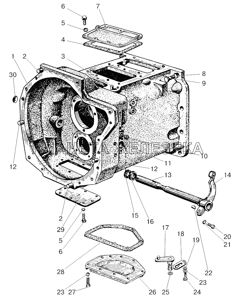
1 70-1601015 Корпус сцепления
Подробнее
Дополнительная информация:
Кол-во на "800, 820, 890, 892, 900, 920, 950, 952" 1
Примечание Нет
Модель 70
Группа Сцепление
Подгруппа Сцепление
Порядковый номер детали 015
2 Д01-015 Штифт установочный
Подробнее
Дополнительная информация:
Кол-во на "800, 820, 890, 892, 900, 920, 950, 952" 2
  Код Название Артикул Цена
Штифт МТЗ корпуса сцепления установочный САЗ 627800 Штифт МТЗ корпуса сцепления установочный САЗ Д01-015 45,00 р.
3 ШЦК10x25 Штифт
Подробнее
Дополнительная информация:
Кол-во на "800, 820, 890, 892, 900, 920, 950, 952" 2
4 50-1601345 Прокладка
Подробнее
Дополнительная информация:
Кол-во на "800, 820, 890, 892, 900, 920, 950, 952" 1
Модель 50
Группа Сцепление
Подгруппа Сцепление
Порядковый номер детали 345
5 ШП8 Шайба
Подробнее
Дополнительная информация:
Кол-во на "800, 820, 890, 892, 900, 920, 950, 952" 7
6 М8x20 Болт
Подробнее
Дополнительная информация:
Кол-во на "800, 820, 890, 892, 900, 920, 950, 952" 7
7 70-1601344 Крышка
Подробнее
Дополнительная информация:
Кол-во на "800, 820, 890, 892, 900, 920, 950, 952" 1
Модель 70
Группа Сцепление
Подгруппа Сцепление
Порядковый номер детали 344
8 ШП16 Шайба
Подробнее
Дополнительная информация:
Кол-во на "800, 820, 890, 892, 900, 920, 950, 952" 10
9 М16x50 Болт
Подробнее
Дополнительная информация:
Кол-во на "800, 820, 890, 892, 900, 920, 950, 952" 10
10 ПККГ11/4dm Пробка
Подробнее
Дополнительная информация:
Кол-во на "800, 820, 890, 892, 900, 920, 950, 952" 1
Штифт МТЗ корпуса сцепления установочный САЗ 11 50-3503064 Втулка
Подробнее
Дополнительная информация:
Кол-во на "800, 820, 890, 892, 900, 920, 950, 952" 1
Примечание Нет
Модель 50
Группа Тормоза
Подгруппа 3503
Порядковый номер детали 064
  Код Название Артикул Цена
Втулка МТЗ корпуса сцепления и рычагов педали тормоза РУП МЗШ 636928 Втулка МТЗ корпуса сцепления и рычагов педали тормоза РУП МЗШ 50-3503064 410,00 р.
Втулка МТЗ корпуса сцепления и рычагов педали тормоза РУП МЗШ 12 50-1601352 Штифт
Подробнее
Дополнительная информация:
Кол-во на "800, 820, 890, 892, 900, 920, 950, 952" 2
Модель 50
Группа Сцепление
Подгруппа Сцепление
Порядковый номер детали 352
  Код Название Артикул Цена
Штифт МТЗ ГУР САЗ 627811 Штифт МТЗ ГУР САЗ 50-1601352 45,00 р.
Штифт МТЗ ГУР САЗ 13 50-1601215 Вал вилок включения
Подробнее
Дополнительная информация:
Кол-во на "800, 820, 890, 892, 900, 920, 950, 952" 1
Модель 50
Группа Сцепление
Подгруппа Сцепление
Порядковый номер детали 215
  Код Название Артикул Цена
Вал МТЗ,МАЗ-4370 вилок включения ОАО МТЗ 065058 Вал МТЗ,МАЗ-4370 вилок включения ОАО МТЗ 50-1601215 1 900,00 р.
Вал МТЗ,МАЗ-4370 вилок включения ОАО МТЗ 14 80-1601219-Б Рычаг
Подробнее
Дополнительная информация:
Кол-во на "800, 820, 890, 892, 900, 920, 950, 952" 1
Примечание Нет
Модель 80
Группа Сцепление
Подгруппа Сцепление
Порядковый номер детали 219
Дополнительно Взаимозаменяема с деталью, выпущенной ранее под этим же номером
  Код Название Артикул Цена
Рычаг МТЗ привода сцепления 208620 Рычаг МТЗ привода сцепления 80-1601219-Б 830,00 р.
15 80-4608024 Кольцо
Подробнее
Дополнительная информация:
Кол-во на "800, 820, 890, 892, 900, 920, 950, 952" 1
Модель 80
Подгруппа 4608
Порядковый номер детали 024
Рычаг МТЗ привода сцепления 16 36-1601016 Корпус пылеотражателя
Подробнее
Дополнительная информация:
Кол-во на "800, 820, 890, 892, 900, 920, 950, 952" 1
Модель 36
Группа Сцепление
Подгруппа Сцепление
Порядковый номер детали 016
  Код Название Артикул Цена
Корпус МТЗ пылеотражателя сцепления ОАО МТЗ 608294 Корпус МТЗ пылеотражателя сцепления ОАО МТЗ 36-1601016 50,00 р.
Корпус МТЗ пылеотражателя сцепления ОАО МТЗ 17 70-1601140 Валик
Подробнее
Дополнительная информация:
Кол-во на "800, 820, 890, 892, 900, 920, 950, 952" 1
Модель 70
Группа Сцепление
Подгруппа Сцепление
Порядковый номер детали 140
  Код Название Артикул Цена
Валик МТЗ,с/х рычага включения сцепления ВЗТЗЧ 062017 Валик МТЗ,с/х рычага включения сцепления ВЗТЗЧ 70-1601140 750,00 р.
Валик МТЗ,с/х рычага включения сцепления ВЗТЗЧ 18 80-1601099 Пластина
Подробнее
Дополнительная информация:
Кол-во на "800, 820, 890, 892, 900, 920, 950, 952" 1
Модель 80
Группа Сцепление
Подгруппа Сцепление
Порядковый номер детали 099
  Код Название Артикул Цена
Пластина МТЗ ОАО МТЗ 168572 Пластина МТЗ ОАО МТЗ 80-1601099 70,00 р.
19 ШЧ10 Шайба
Подробнее
Дополнительная информация:
Кол-во на "800, 820, 890, 892, 900, 920, 950, 952" 1
20 М12x35 Болт
Подробнее
Дополнительная информация:
Кол-во на "800, 820, 890, 892, 900, 920, 950, 952" 1
21 ШП12 Шайба
Подробнее
Дополнительная информация:
Кол-во на "800, 820, 890, 892, 900, 920, 950, 952" 1
22 СШ611 Шпонка 6x11
Подробнее
Дополнительная информация:
Кол-во на "800, 820, 890, 892, 900, 920, 950, 952" 1
23 ШП10 Шайба
Подробнее
Дополнительная информация:
Кол-во на "800, 820, 890, 892, 900, 920, 950, 952" 9
24 М10x20 Болт
Подробнее
Дополнительная информация:
Кол-во на "800, 820, 890, 892, 900, 920, 950, 952" 1
25 020-025-30-1-4 Кольцо
Подробнее
Дополнительная информация:
Кол-во на "800, 820, 890, 892, 900, 920, 950, 952" 2
26 50-1601315 Крышка нижняя
Подробнее
Дополнительная информация:
Кол-во на "800, 820, 890, 892, 900, 920, 950, 952" 1
Модель 50
Группа Сцепление
Подгруппа Сцепление
Порядковый номер детали 315
27 М10x25 Болт
Подробнее
Дополнительная информация:
Кол-во на "800, 820, 890, 892, 900, 920, 950, 952" 8
28 70-1601314 Прокладка крышки
Подробнее
Дополнительная информация:
Кол-во на "800, 820, 890, 892, 900, 920, 950, 952" 2
Модель 70
Группа Сцепление
Подгруппа Сцепление
Порядковый номер детали 314
29 50-1601341 Крышка сцепления
Подробнее
Дополнительная информация:
Кол-во на "800, 820, 890, 892, 900, 920, 950, 952" 1
Модель 50
Группа Сцепление
Подгруппа Сцепление
Порядковый номер детали 341
30 50-1601022 Заглушка
Подробнее
Дополнительная информация:
Кол-во на "800, 820, 890, 892, 900, 920, 950, 952" 1
Модель 50
Группа Сцепление
Подгруппа Сцепление
Порядковый номер детали 022