← Колесо заднее 14,9-30 Колонка рулевая →
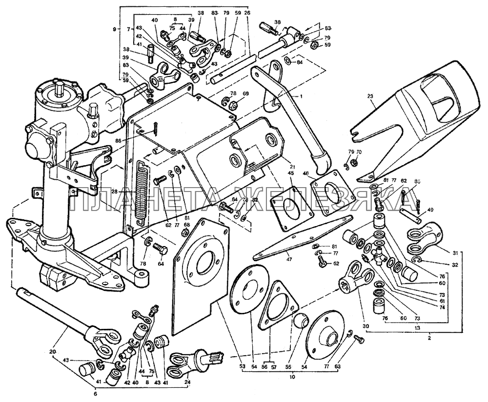
Колонка рулевая ЛТЗ-55
  Номер детали Наименование детали  
Т40М1-3401400 Колонка рулевая (гидромеханическая)
Подробнее
Дополнительная информация:
Кол-во на "ЛТЗ-55, ЛТЗ-55Н, ЛТЗ-55А, ЛТЗ-55АН" 1
Примечание Нет
Модель Рў40Рњ1
Группа Управление рулевое
Подгруппа Управление рулевое (механизм рулевого управления)
Порядковый номер детали 400
1 Т40М1-3401020 Фиксатор
Подробнее
Дополнительная информация:
Кол-во на "ЛТЗ-55, ЛТЗ-55Н, ЛТЗ-55А, ЛТЗ-55АН" 1
Модель Рў40Рњ1
Группа Управление рулевое
Подгруппа Управление рулевое (механизм рулевого управления)
Порядковый номер детали 020
2 Т40М1-3401050 Кардан
Подробнее
Дополнительная информация:
Кол-во на "ЛТЗ-55, ЛТЗ-55Н, ЛТЗ-55А, ЛТЗ-55АН" 1
Модель Рў40Рњ1
Группа Управление рулевое
Подгруппа Управление рулевое (механизм рулевого управления)
Порядковый номер детали 050
6 Т40М1-3401180 Вал карданный
Подробнее
Дополнительная информация:
Кол-во на "ЛТЗ-55, ЛТЗ-55Н, ЛТЗ-55А, ЛТЗ-55АН" 1
Примечание Нет
Модель Рў40Рњ1
Группа Управление рулевое
Подгруппа Управление рулевое (механизм рулевого управления)
Порядковый номер детали 180
7 Т25-3401290-В Кардан
Подробнее
Дополнительная информация:
Кол-во на "ЛТЗ-55, ЛТЗ-55Н, ЛТЗ-55А, ЛТЗ-55АН" 1
Примечание Нет
Модель Рў25
Группа Управление рулевое
Подгруппа Управление рулевое (механизм рулевого управления)
Порядковый номер детали 290
Дополнительно Взаимозаменяема с деталью, выпущенной ранее под этим же номером
  Код Название Артикул Цена
Вал карданный Т-40 рулевой 210271 Вал карданный Т-40 рулевой Т25-3401290-В 1 600,00 р.
8 Т40М-3401300 Масленка с колпачком
Подробнее
Дополнительная информация:
Кол-во на "ЛТЗ-55, ЛТЗ-55Н, ЛТЗ-55А, ЛТЗ-55АН" 1
Примечание Нет
Модель Рў40Рњ
Группа Управление рулевое
Подгруппа Управление рулевое (механизм рулевого управления)
Порядковый номер детали 300
9 Т40М1-3401440 Вал промежуточный
Подробнее
Дополнительная информация:
Кол-во на "ЛТЗ-55, ЛТЗ-55Н, ЛТЗ-55А, ЛТЗ-55АН" 1
Примечание Нет
Модель Рў40Рњ1
Группа Управление рулевое
Подгруппа Управление рулевое (механизм рулевого управления)
Порядковый номер детали 440
10 Т40М1-3401460 Опора шаровая
Подробнее
Дополнительная информация:
Кол-во на "ЛТЗ-55, ЛТЗ-55Н, ЛТЗ-55А, ЛТЗ-55АН" 1
Примечание Нет
Модель Рў40Рњ1
Группа Управление рулевое
Подгруппа Управление рулевое (механизм рулевого управления)
Порядковый номер детали 460
13 К005-01 Крестовина кардана
Подробнее
Дополнительная информация:
Кол-во на "ЛТЗ-55, ЛТЗ-55Н, ЛТЗ-55А, ЛТЗ-55АН" 1
Примечание Нет
20 Т40М1-3401170 Вал кардана
Подробнее
Дополнительная информация:
Кол-во на "ЛТЗ-55, ЛТЗ-55Н, ЛТЗ-55А, ЛТЗ-55АН" 1
Примечание Нет
Модель Рў40Рњ1
Группа Управление рулевое
Подгруппа Управление рулевое (механизм рулевого управления)
Порядковый номер детали 170
21 Т40М1-3401410 Корпус
Подробнее
Дополнительная информация:
Кол-во на "ЛТЗ-55, ЛТЗ-55Н, ЛТЗ-55А, ЛТЗ-55АН" 1
Примечание Нет
Модель Рў40Рњ1
Группа Управление рулевое
Подгруппа Управление рулевое (механизм рулевого управления)
Порядковый номер детали 410
23 Т40М1-3401420-01 Кожух
Подробнее
Дополнительная информация:
Кол-во на "ЛТЗ-55, ЛТЗ-55Н, ЛТЗ-55А, ЛТЗ-55АН" 1
Модель Рў40Рњ1
Группа Управление рулевое
Подгруппа Управление рулевое (механизм рулевого управления)
Порядковый номер детали 420
24 Т40М1-3401430 Вал промежуточный
Подробнее
Дополнительная информация:
Кол-во на "ЛТЗ-55, ЛТЗ-55Н, ЛТЗ-55А, ЛТЗ-55АН" 1
Примечание Нет
Модель Рў40Рњ1
Группа Управление рулевое
Подгруппа Управление рулевое (механизм рулевого управления)
Порядковый номер детали 430
26 Т40М1-3401450 Вал
Подробнее
Дополнительная информация:
Кол-во на "ЛТЗ-55, ЛТЗ-55Н, ЛТЗ-55А, ЛТЗ-55АН" 1
Примечание Нет
Модель Рў40Рњ1
Группа Управление рулевое
Подгруппа Управление рулевое (механизм рулевого управления)
Порядковый номер детали 450
Вал карданный Т-40 рулевой 28 50-1605152 Пружина
Подробнее
Дополнительная информация:
Кол-во на "ЛТЗ-55, ЛТЗ-55Н, ЛТЗ-55А, ЛТЗ-55АН" 1
Модель 50
Группа Сцепление
Подгруппа 1605
Порядковый номер детали 152
  Код Название Артикул Цена
Пружина МТЗ педали тормоза ОАО МТЗ 583673 Пружина МТЗ педали тормоза ОАО МТЗ 50-1605152 180,00 р.
29 Т40М1-3401011 Ось
Подробнее
Дополнительная информация:
Кол-во на "ЛТЗ-55, ЛТЗ-55Н, ЛТЗ-55А, ЛТЗ-55АН" 2
Модель Рў40Рњ1
Группа Управление рулевое
Подгруппа Управление рулевое (механизм рулевого управления)
Порядковый номер детали 011
30 Т40М1-3401017 Вилка
Подробнее
Дополнительная информация:
Кол-во на "ЛТЗ-55, ЛТЗ-55Н, ЛТЗ-55А, ЛТЗ-55АН" 1
Модель Рў40Рњ1
Группа Управление рулевое
Подгруппа Управление рулевое (механизм рулевого управления)
Порядковый номер детали 017
31 Т40М1-3401052 Вилка
Подробнее
Дополнительная информация:
Кол-во на "ЛТЗ-55, ЛТЗ-55Н, ЛТЗ-55А, ЛТЗ-55АН" 1
Модель Рў40Рњ1
Группа Управление рулевое
Подгруппа Управление рулевое (механизм рулевого управления)
Порядковый номер детали 052
32 Т40М1-3401053 Кольцо
Подробнее
Дополнительная информация:
Кол-во на "ЛТЗ-55, ЛТЗ-55Н, ЛТЗ-55А, ЛТЗ-55АН" 4
Модель Рў40Рњ1
Группа Управление рулевое
Подгруппа Управление рулевое (механизм рулевого управления)
Порядковый номер детали 053
38 Т25-3401135 Клин
Подробнее
Дополнительная информация:
Кол-во на "ЛТЗ-55, ЛТЗ-55Н, ЛТЗ-55А, ЛТЗ-55АН" 2
Примечание Нет
Модель Рў25
Группа Управление рулевое
Подгруппа Управление рулевое (механизм рулевого управления)
Порядковый номер детали 135
39 Т25-3401282-В Вилка кардана
Подробнее
Дополнительная информация:
Кол-во на "ЛТЗ-55, ЛТЗ-55Н, ЛТЗ-55А, ЛТЗ-55АН" 2
Примечание Нет
Модель Рў25
Группа Управление рулевое
Подгруппа Управление рулевое (механизм рулевого управления)
Порядковый номер детали 282
Дополнительно Взаимозаменяема с деталью, выпущенной ранее под этим же номером
40 Т25-3401285 Втулка масленки кардана рулевого управления
Подробнее
Дополнительная информация:
Кол-во на "ЛТЗ-55, ЛТЗ-55Н, ЛТЗ-55А, ЛТЗ-55АН" 2
Примечание Нет
Модель Рў25
Группа Управление рулевое
Подгруппа Управление рулевое (механизм рулевого управления)
Порядковый номер детали 285
41 Т25-3401286-А Втулка кардана рулевого управления
Подробнее
Дополнительная информация:
Кол-во на "ЛТЗ-55, ЛТЗ-55Н, ЛТЗ-55А, ЛТЗ-55АН" 6
Примечание Нет
Модель Рў25
Группа Управление рулевое
Подгруппа Управление рулевое (механизм рулевого управления)
Порядковый номер детали 286
Дополнительно Взаимозаменяема с деталью, выпущенной ранее под этим же номером
42 Т25-3401287 Крестовина кардана
Подробнее
Дополнительная информация:
Кол-во на "ЛТЗ-55, ЛТЗ-55Н, ЛТЗ-55А, ЛТЗ-55АН" 1
Примечание Нет
Модель Рў25
Группа Управление рулевое
Подгруппа Управление рулевое (механизм рулевого управления)
Порядковый номер детали 287
43 Т25-3401288 Кольцо стопорное кардана рулевого управления
Подробнее
Дополнительная информация:
Кол-во на "ЛТЗ-55, ЛТЗ-55Н, ЛТЗ-55А, ЛТЗ-55АН" 4
Примечание Нет
Модель Рў25
Группа Управление рулевое
Подгруппа Управление рулевое (механизм рулевого управления)
Порядковый номер детали 288
44 Т40М-3401301 Колпачок масленки
Подробнее
Дополнительная информация:
Кол-во на "ЛТЗ-55, ЛТЗ-55Н, ЛТЗ-55А, ЛТЗ-55АН" 1
Примечание Нет
Модель Рў40Рњ
Группа Управление рулевое
Подгруппа Управление рулевое (механизм рулевого управления)
Порядковый номер детали 301
45 Т40М1-3401401 Прокладка
Подробнее
Дополнительная информация:
Кол-во на "ЛТЗ-55, ЛТЗ-55Н, ЛТЗ-55А, ЛТЗ-55АН" 1
Примечание Нет
Модель Рў40Рњ1
Группа Управление рулевое
Подгруппа Управление рулевое (механизм рулевого управления)
Порядковый номер детали 401
46 Т40М1-3401402 Пластина
Подробнее
Дополнительная информация:
Кол-во на "ЛТЗ-55, ЛТЗ-55Н, ЛТЗ-55А, ЛТЗ-55АН" 2
Примечание Нет
Модель Рў40Рњ1
Группа Управление рулевое
Подгруппа Управление рулевое (механизм рулевого управления)
Порядковый номер детали 402
47 Т40М1-3401403 Крышка
Подробнее
Дополнительная информация:
Кол-во на "ЛТЗ-55, ЛТЗ-55Н, ЛТЗ-55А, ЛТЗ-55АН" 1
Модель Рў40Рњ1
Группа Управление рулевое
Подгруппа Управление рулевое (механизм рулевого управления)
Порядковый номер детали 403
49 Т40М1-3401407 Ось
Подробнее
Дополнительная информация:
Кол-во на "ЛТЗ-55, ЛТЗ-55Н, ЛТЗ-55А, ЛТЗ-55АН" 1
Модель Рў40Рњ1
Группа Управление рулевое
Подгруппа Управление рулевое (механизм рулевого управления)
Порядковый номер детали 407
53 Т40М13101461 Корпус шарнира
Подробнее
Дополнительная информация:
Кол-во на "ЛТЗ-55, ЛТЗ-55Н, ЛТЗ-55А, ЛТЗ-55АН" 1
Примечание Нет
Модель Рў40Р
Группа Система охлаждения
Подгруппа Жалюзи радиатора
Порядковый номер детали 146
54 Т40М1-3401462 Крышка шарнира
Подробнее
Дополнительная информация:
Кол-во на "ЛТЗ-55, ЛТЗ-55Н, ЛТЗ-55А, ЛТЗ-55АН" 2
Примечание Нет
Модель Рў40Рњ1
Группа Управление рулевое
Подгруппа Управление рулевое (механизм рулевого управления)
Порядковый номер детали 462
55 Т40М1-3401463 Вкладыш
Подробнее
Дополнительная информация:
Кол-во на "ЛТЗ-55, ЛТЗ-55Н, ЛТЗ-55А, ЛТЗ-55АН" 1
Примечание Нет
Модель Рў40Рњ1
Группа Управление рулевое
Подгруппа Управление рулевое (механизм рулевого управления)
Порядковый номер детали 463
56 Т40М1-3401464 Прокладка
Подробнее
Дополнительная информация:
Кол-во на "ЛТЗ-55, ЛТЗ-55Н, ЛТЗ-55А, ЛТЗ-55АН" 1
Примечание Нет
Модель Рў40Рњ1
Группа Управление рулевое
Подгруппа Управление рулевое (механизм рулевого управления)
Порядковый номер детали 464
57 Т40М1-3401464-01 Прокладка
Подробнее
Дополнительная информация:
Кол-во на "ЛТЗ-55, ЛТЗ-55Н, ЛТЗ-55А, ЛТЗ-55АН" 1
Примечание Нет
Модель Рў40Рњ1
Группа Управление рулевое
Подгруппа Управление рулевое (механизм рулевого управления)
Порядковый номер детали 464
59 ГПШ-М10Х1 Гайка шестигранная специальная
Подробнее
Дополнительная информация:
Кол-во на "ЛТЗ-55, ЛТЗ-55Н, ЛТЗ-55А, ЛТЗ-55АН" 2
Примечание Нет
60 Н.051.01.401 Корпус уплотнителя
Подробнее
Дополнительная информация:
Кол-во на "ЛТЗ-55, ЛТЗ-55Н, ЛТЗ-55А, ЛТЗ-55АН" 4
61 Н.051.01.606-А Крестовина
Подробнее
Дополнительная информация:
Кол-во на "ЛТЗ-55, ЛТЗ-55Н, ЛТЗ-55А, ЛТЗ-55АН" 1
62 М6-6gх16.88.019 Болт
Подробнее
Дополнительная информация:
Кол-во на "ЛТЗ-55, ЛТЗ-55Н, ЛТЗ-55А, ЛТЗ-55АН" 6
63 М6-6gх20.88.019 Болт
Подробнее
Дополнительная информация:
Кол-во на "ЛТЗ-55, ЛТЗ-55Н, ЛТЗ-55А, ЛТЗ-55АН" 3
Примечание Нет
64 М8-6gх20.88.019 Болт
Подробнее
Дополнительная информация:
Кол-во на "ЛТЗ-55, ЛТЗ-55Н, ЛТЗ-55А, ЛТЗ-55АН" 8
68 М6-6Н.6.019 Гайка
Подробнее
Дополнительная информация:
Кол-во на "ЛТЗ-55, ЛТЗ-55Н, ЛТЗ-55А, ЛТЗ-55АН" 3
Примечание Нет
69 М8-6Н.6.019 Гайка
Подробнее
Дополнительная информация:
Кол-во на "ЛТЗ-55, ЛТЗ-55Н, ЛТЗ-55А, ЛТЗ-55АН" 1
70 М10-6Н.6.019 Гайка
Подробнее
Дополнительная информация:
Кол-во на "ЛТЗ-55, ЛТЗ-55Н, ЛТЗ-55А, ЛТЗ-55АН" 4
73 010-014-25-2-2 Кольцо
Подробнее
Дополнительная информация:
Кол-во на "ЛТЗ-55, ЛТЗ-55Н, ЛТЗ-55А, ЛТЗ-55АН" 4
74 1.1.В1 Масленка
Подробнее
Дополнительная информация:
Кол-во на "ЛТЗ-55, ЛТЗ-55Н, ЛТЗ-55А, ЛТЗ-55АН" 1
75 1.3.Ц6 Масленка
Подробнее
Дополнительная информация:
Кол-во на "ЛТЗ-55, ЛТЗ-55Н, ЛТЗ-55А, ЛТЗ-55АН" 2
Примечание Нет
76 904700УС17 Подшипник
Подробнее
Дополнительная информация:
Кол-во на "ЛТЗ-55, ЛТЗ-55Н, ЛТЗ-55А, ЛТЗ-55АН" 4
77 6Т65Г06 Шайба
Подробнее
Дополнительная информация:
Кол-во на "ЛТЗ-55, ЛТЗ-55Н, ЛТЗ-55А, ЛТЗ-55АН" 6
78 8Т65Г06 Шайба
Подробнее
Дополнительная информация:
Кол-во на "ЛТЗ-55, ЛТЗ-55Н, ЛТЗ-55А, ЛТЗ-55АН" 9
79 100Т65Г06 Шайба
Подробнее
Дополнительная информация:
Кол-во на "ЛТЗ-55, ЛТЗ-55Н, ЛТЗ-55А, ЛТЗ-55АН" 6
81 А.6.01.08кп.019 Шайба
Подробнее
Дополнительная информация:
Кол-во на "ЛТЗ-55, ЛТЗ-55Н, ЛТЗ-55А, ЛТЗ-55АН" 6
82 А.8.01.08кп.019 Шайба
Подробнее
Дополнительная информация:
Кол-во на "ЛТЗ-55, ЛТЗ-55Н, ЛТЗ-55А, ЛТЗ-55АН" 3
Примечание Нет
83 А.10.01.08кп.019 Шайба
Подробнее
Дополнительная информация:
Кол-во на "ЛТЗ-55, ЛТЗ-55Н, ЛТЗ-55А, ЛТЗ-55АН" 2
Примечание Нет
84 А.14.02.019 Шайба
Подробнее
Дополнительная информация:
Кол-во на "ЛТЗ-55, ЛТЗ-55Н, ЛТЗ-55А, ЛТЗ-55АН" 1
85 3,2х18.019 Шплинт
Подробнее
Дополнительная информация:
Кол-во на "ЛТЗ-55, ЛТЗ-55Н, ЛТЗ-55А, ЛТЗ-55АН" 2
86 3,2х20.019 Шплинт
Подробнее
Дополнительная информация:
Кол-во на "ЛТЗ-55, ЛТЗ-55Н, ЛТЗ-55А, ЛТЗ-55АН" 1